Hubei Hannas Tech Co.,Ltd-Professional Piezoceramic Elements Supplier
Products
You are here: Home / Products / Ultrasonic Transducers / Transducer for Flowmeter / 145Khz high temperature ultrasonic flowmeter transducer in mine
 
High Frequency Wholesale Products For Manufacturers And Factories:

 

Feedback

loading

Share to:
sharethis sharing button

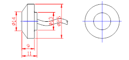
145Khz high temperature ultrasonic flowmeter transducer in mine

Application: The transducer is for ultrasonic mine air flow meter, which be used to measure all kinds of tunnel airflow in mine.
Availability:
Quantity:
  • PH145F00310

  • Piezohannas

  • PH145F00310

Item

Parameters  

Central FrequencykHz

145KHZ±4%

Bandwidth

12kHz

Comprehensive Sensitivity 0 dB=5 Vp-pContinuous wave, distance: 5cm

-34dB min

Beam Angle-3dB full-open

14±2°

Static capacitance

650PF±20%

Parallel resistance (Minimum)

700Ω±30%

Working Voltage (Maximize)

Pluse Wave(duty cycle 2%)

500V

working Temperature

-2070

IP Level

IP65

Case Material

ABS

 


Image:


{UL5LGP0ZANPZ(UV}$KS8QP.pngK)[IV0QS2@$3D{WL_C6H0L7.png



Frequency- Total resistance                               Frequency - phase curve

 


)5$@@(123S$R}8J4K4}NR3.png}]`T77[HDXBPGPYWARL2JL7.png




The sensitivity test:


Launch voltage: 5Vp-pCWDistance: 5cm



R56GH_G8Q2T06@M4BRQ)(F.png



Pointing Angle curve



R[467K37{}PA`(A0JV)LY@E.png






Previous: 
Next: 

Hot Products

  • Dimensions:60x5mm Resonant frequency fr: 420 KHz±2%      Electromechanical coupling coefficient K33:≥58% Resonant impedance Zm: ≤45 Ω Static capacitance Cs: 5100pF±14%@1kHz Application: Piezo transducer for milk analysis, Piezo transducer for vibration, transducer for matter dispersion, sonar transducer Ultrasonic sensor, vibration sensor, wall thickness sensor, material stress sensor, pressure sensor, energy electricity harvesting, compression sensor, piezo expansion sensor and others.
    $ 0
    $ 0
  • We can offer 2Mhz,4Mhz,6Mhz TCD Doppler Sensor .The shape of shell can be customized based on your requirements. Application:This probe is used for craniocervical doppler flowmeter,it is good anti-interference ability and high sensitivity,which has been integrated with many TCD equipment manufacturer.
    $ 0
    $ 0
  • We can offer the 5Mhz,8Mhz,10Mhz,13Mhz a-ultrasound sensor Application : The sensor used for measuring thickness of fat of Pet or livestock, and measuring distance or measuring thickness in ophthalmology.
    $ 0
    $ 0
  • Dimension: Outer Dimension: 18mm Inter Dimension:  15mm Height:  15mm Features of piezoelectric crystal: 1. Low impedance 2. The waveform is stable 3. High electromechanical conversion efficiency 4. Low dielectric loss 5. Heat a small 6. Big spray volume 7. The life of more than 5000 hours 8. Acid corrosion
    $ 0
    $ 0
  • Dimension : OD60mm xID30mm x Thi10mm For ultrasonic welding machine,our clients often order 60 x30 x10mm,50 x20 x6.5mm piezo ring ,they are in stock all in our factory. Please contact us as soon if any requirements.
    $ 0
    $ 0
  • Dimension : OD50mm xID20mm x Thi6.5mm For ultrasonic welding machine,our clients often order 60 x30 x10mm,50 x20 x6.5mm piezo ring ,they are in stock all in our factory. Please contact us as soon if any requirements.
    $ 0
    $ 0
  • Hemisphere piezo: Dimension: Diameter : 50mm OD of Hole:8mm Wall thickness : 2mm Features of high temperature piezoceramic: 1. Low impedance 2. The waveform is stable 3. High electromechanical conversion efficiency 4. Low dielectric loss 5. Heat a small 6. Big spray volume 7. The life of more than 5000 hours 8. Acid corrosion
    $ 0
    $ 0
  • Dimension (diameter×thickness):10mmx2mm Features of piezoelectric crystal: 1. Low impedance 2. The waveform is stable 3. High electromechanical conversion efficiency 4. Low dielectric loss 5. Heat a small 6. Big spray volume 7. The life of more than 5000 hours 8. Acid corrosion
    $ 0
    $ 0
  • Dimension (diameter×thickness):16mmx0.4mm Features of piezoelectric crystal: 1. Low impedance 2. The waveform is stable 3. High electromechanical conversion efficiency 4. Low dielectric loss 5. Heat a small 6. Big spray volume 7. The life of more than 5000 hours 8. Acid corrosion
    $ 0
    $ 0
  • Hemisphere piezo: Dimension: Diameter : 15mm OD of Hole:4mm Wall thickness : 1mm Features of high temperature piezoceramic: 1. Low impedance 2. The waveform is stable 3. High electromechanical conversion efficiency 4. Low dielectric loss 5. Heat a small 6. Big spray volume 7. The life of more than 5000 hours 8. Acid corrosion
    $ 0
    $ 0
  • About ultrasonic distance transducer, we can offer transducer that can detect 1M,3M,4M,5M,8M,12M,20M,30M,50M, Also we can accpet customization.
    $ 0
    $ 0
  • About ultrasonic distance transducer, we can offer transducer that can detect 1M,3M,4M,5M,8M,12M,20M,30M,50M, Also we can accpet customization.
    $ 0
    $ 0
  • Size: 54.5x47x40mm Application: Underwater communication device, Hydrophone , Sonar.
    $ 0
    $ 0
Hubei Hannas Tech Co.,Ltd  is a professional piezoelectric ceramics and ultrasonic transducer manufacturer, dedicated to ultrasonic technology and industrial applications.                                    
 

RECOMMEND

CONTACT US

Add: No.302 Innovation Agglomeration Zone, Chibi Avenu ,Chibi City, Xianning, Hubei Province,China
E-mail:  sales@piezohannas.com
Tel: +86 07155272177
Phone: +86 +18986196674         
QQ: 1553242848 
Skype: live:mary_14398
​        
Copyright 2017   Hubei Hannas Tech Co.,Ltd All rights reserved. 
Products