| Availability: | |
|---|---|
| Quantity: | |
PHW-1M-W
Piezohannas
PHW-1M-W
High Quality 1MHz Ultrasonic Transducer for 3M Depth Measurement
1. Introduction
Underwater sounder transducer uses ultrasonic waves to transmits underwater, and is reflected back when they meet measured object.It can detect distance between the sensor and the measured object and then transmits to ships, buoys, underwater unmanned aerial vehicles, etc. As a depth sounder, it can also be used for underwater distance measurement.
The product protection level reaches IP68 level, and it can be soaked for a long time underwater 100 meters without damage. (Note that the cable outlet part of the instrument needs to be reliably sealed after wiring to avoid water )
2.Technical parameters:
Items | Technical Parameters | Image | |
Name | 1MHz underwater ultrasonic transducer |
| |
Model | PHW-1M-W | ||
Frequency | 1MHz±5% | ||
Detection Distance | 0.10 ~ 3.0m | ||
Minimum Parallel lmpedance | 15Ω±20% | ||
2500pF±20% @1KHz | |||
Sensitivity | Driving Voltage:24 Vpp、Distance:0.3m、 Echo Amplitude:2.0 V | ||
-10~+50℃ | |||
5MPa | |||
| (Beamwidth) Half-power Beam Width@-3dB:3.0°±0.5, Sharp Angle:7.0°±1 | ||
Housing Material | 316 | ||
Usage | submarine range finder | ||
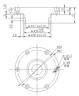
See the product structure drawing | |||
Protection Level | IP68 | ||
Weight | 270g±5%(Length:1m) | ||
Wiring Instructions | Red+,White-; yellow、white:the two poles of MF58 thermoreceptor; | ||
Admittance Curve | Product Structure Diagram | ||
|
| ||
3.Temperature Sensor Schematic Diagram of Transducer , Test Circuit Schematic Diagram

High Quality 1MHz Ultrasonic Transducer for 3M Depth Measurement
1. Introduction
Underwater sounder transducer uses ultrasonic waves to transmits underwater, and is reflected back when they meet measured object.It can detect distance between the sensor and the measured object and then transmits to ships, buoys, underwater unmanned aerial vehicles, etc. As a depth sounder, it can also be used for underwater distance measurement.
The product protection level reaches IP68 level, and it can be soaked for a long time underwater 100 meters without damage. (Note that the cable outlet part of the instrument needs to be reliably sealed after wiring to avoid water )
2.Technical parameters:
Items | Technical Parameters | Image | |
Name | 1MHz underwater ultrasonic transducer |
| |
Model | PHW-1M-W | ||
Frequency | 1MHz±5% | ||
Detection Distance | 0.10 ~ 3.0m | ||
Minimum Parallel lmpedance | 15Ω±20% | ||
2500pF±20% @1KHz | |||
Sensitivity | Driving Voltage:24 Vpp、Distance:0.3m、 Echo Amplitude:2.0 V | ||
-10~+50℃ | |||
5MPa | |||
| (Beamwidth) Half-power Beam Width@-3dB:3.0°±0.5, Sharp Angle:7.0°±1 | ||
Housing Material | 316 | ||
Usage | submarine range finder | ||
See the product structure drawing | |||
Protection Level | IP68 | ||
Weight | 270g±5%(Length:1m) | ||
Wiring Instructions | Red+,White-; yellow、white:the two poles of MF58 thermoreceptor; | ||
Admittance Curve | Product Structure Diagram | ||
|
| ||
3.Temperature Sensor Schematic Diagram of Transducer , Test Circuit Schematic Diagram

Products | About Us | News | Markets and Applications | FAQ | Contact Us