Hubei Hannas Tech Co.,Ltd-Professional Piezoceramic Elements Supplier
Products
You are here: Home / Products / Ultrasonic Transducers / Transducer for Gas Meter / 80Khz High Temperature Ultrasonic Gas Transducer for Gas Flow
 
High Frequency Wholesale Products For Manufacturers And Factories:

 

Feedback

loading

Share to:
sharethis sharing button

80Khz High Temperature Ultrasonic Gas Transducer for Gas Flow

ultrasonic transducer for Ultrasonic Gas Flow Meter
Availability:
Quantity:
  • PHA-80-04A

  • Piezohannas

  • PHA-80-04A

     80Khz High Temperature Ultrasonic Gas Transducer for Gas Flow 




ems

Technical Parameters

Image

Name

78KHz transducer

 

80Khz High Temperature Ultrasonic Gas Transducer for Gas Flow

Model

PHA-80-04A

FrequencyIt

78KHz±5%

Minimum

Parallel lmpedance

350Ω±20

Capacitance

1800pF±20@1KHz

 

Sensitivity

No-load driving voltage500VppOne transmitting and one receiving:100mV,Distance :13cm

Operating

Voltage

Peak Voltage450 Vpp

Operating

Temperature

-40+150

Pressure

3Kilos or 0.3MPa

Housing Material

titanium alloy

 

Usage

High temperature flue flow

Installation

Dimension

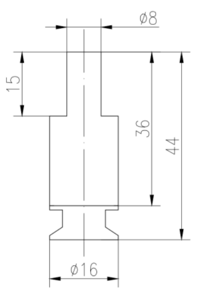
See product structure diagram for details

Protection Level

IP68

Weight

36g±5(length2m)

Wiring Instructions

White: Transducer +, Black: Transducer - ( temperature sensor is optional)

Admittance Curve

Product structure Diagram

 

6WKQ)8PPTABPFTP`8 

 

T`O6(FKJZ(VW(CNFT4

Previous: 
Next: 

Hot Products

  • Dimensions:60x5mm Resonant frequency fr: 420 KHz±2%      Electromechanical coupling coefficient K33:≥58% Resonant impedance Zm: ≤45 Ω Static capacitance Cs: 5100pF±14%@1kHz Application: Piezo transducer for milk analysis, Piezo transducer for vibration, transducer for matter dispersion, sonar transducer Ultrasonic sensor, vibration sensor, wall thickness sensor, material stress sensor, pressure sensor, energy electricity harvesting, compression sensor, piezo expansion sensor and others.
    $ 0
    $ 0
  • We can offer 2Mhz,4Mhz,6Mhz TCD Doppler Sensor .The shape of shell can be customized based on your requirements. Application:This probe is used for craniocervical doppler flowmeter,it is good anti-interference ability and high sensitivity,which has been integrated with many TCD equipment manufacturer.
    $ 0
    $ 0
  • We can offer the 5Mhz,8Mhz,10Mhz,13Mhz a-ultrasound sensor Application : The sensor used for measuring thickness of fat of Pet or livestock, and measuring distance or measuring thickness in ophthalmology.
    $ 0
    $ 0
  • Dimension: Outer Dimension: 18mm Inter Dimension:  15mm Height:  15mm Features of piezoelectric crystal: 1. Low impedance 2. The waveform is stable 3. High electromechanical conversion efficiency 4. Low dielectric loss 5. Heat a small 6. Big spray volume 7. The life of more than 5000 hours 8. Acid corrosion
    $ 0
    $ 0
  • Dimension : OD60mm xID30mm x Thi10mm For ultrasonic welding machine,our clients often order 60 x30 x10mm,50 x20 x6.5mm piezo ring ,they are in stock all in our factory. Please contact us as soon if any requirements.
    $ 0
    $ 0
  • Dimension : OD50mm xID20mm x Thi6.5mm For ultrasonic welding machine,our clients often order 60 x30 x10mm,50 x20 x6.5mm piezo ring ,they are in stock all in our factory. Please contact us as soon if any requirements.
    $ 0
    $ 0
  • Hemisphere piezo: Dimension: Diameter : 50mm OD of Hole:8mm Wall thickness : 2mm Features of high temperature piezoceramic: 1. Low impedance 2. The waveform is stable 3. High electromechanical conversion efficiency 4. Low dielectric loss 5. Heat a small 6. Big spray volume 7. The life of more than 5000 hours 8. Acid corrosion
    $ 0
    $ 0
  • Dimension (diameter×thickness):10mmx2mm Features of piezoelectric crystal: 1. Low impedance 2. The waveform is stable 3. High electromechanical conversion efficiency 4. Low dielectric loss 5. Heat a small 6. Big spray volume 7. The life of more than 5000 hours 8. Acid corrosion
    $ 0
    $ 0
  • Dimension (diameter×thickness):16mmx0.4mm Features of piezoelectric crystal: 1. Low impedance 2. The waveform is stable 3. High electromechanical conversion efficiency 4. Low dielectric loss 5. Heat a small 6. Big spray volume 7. The life of more than 5000 hours 8. Acid corrosion
    $ 0
    $ 0
  • Hemisphere piezo: Dimension: Diameter : 15mm OD of Hole:4mm Wall thickness : 1mm Features of high temperature piezoceramic: 1. Low impedance 2. The waveform is stable 3. High electromechanical conversion efficiency 4. Low dielectric loss 5. Heat a small 6. Big spray volume 7. The life of more than 5000 hours 8. Acid corrosion
    $ 0
    $ 0
  • About ultrasonic distance transducer, we can offer transducer that can detect 1M,3M,4M,5M,8M,12M,20M,30M,50M, Also we can accpet customization.
    $ 0
    $ 0
  • About ultrasonic distance transducer, we can offer transducer that can detect 1M,3M,4M,5M,8M,12M,20M,30M,50M, Also we can accpet customization.
    $ 0
    $ 0
  • Size: 54.5x47x40mm Application: Underwater communication device, Hydrophone , Sonar.
    $ 0
    $ 0
Hubei Hannas Tech Co.,Ltd  is a professional piezoelectric ceramics and ultrasonic transducer manufacturer, dedicated to ultrasonic technology and industrial applications.                                    
 

RECOMMEND

CONTACT US

Add: No.302 Innovation Agglomeration Zone, Chibi Avenu ,Chibi City, Xianning, Hubei Province,China
E-mail:  sales@piezohannas.com
Tel: +86 07155272177
Phone: +86 +18986196674         
QQ: 1553242848 
Skype: live:mary_14398
​        
Copyright 2017   Hubei Hannas Tech Co.,Ltd All rights reserved. 
Products