Views: 2 Author: Site Editor Publish Time: 2020-07-17 Origin: Site
System function overview and block diagram
This design uses MCS-51 single chip microcomputer combined with digital chip and analog circuit to complete the detection and automatic control of water level. The basic ultrasonic sensor parts which the host sets the liquid level of itself and the slave through the keyboard, the ultrasonic sensor measures the voltage value corresponding to the current water level, and then sends it to the controller and compares with the set value through the analog-to-digital conversion, and the single-chip computer controls the solenoid valve adjust the liquid level of the host, and display the set value and current value on the LCD; the host controller transmits the set value to the slave controller through 485 communication, and the slave controller can also control the liquid level like the host controller , And display the set value and current liquid level value of the host through the LCD; and use 485 communication to send the current liquid level of the slave to the host and display it.
The system is composed of a single-chip microcomputer system data processing module, A/D data input module, 485 communication module, liquid level control and alarm module, keyboard and display module. Scheme demonstration and comparison consider the requirements of the system. In the selection process of the device, the focus is on the selection of ultrasonic liquid level sensor and analog-to-digital conversion chips.
sensor
During the system design process, the following three ultrasonic sensors were selected and compared.
Solution 1: Pressure sensor
At present, most of the liquid level pressure sensors are input static pressure liquid level transmitters, and input static pressure liquid level sensors can only be accurately measured with reference to atmospheric pressure. However, the ventilation in the connection cable will be affected by the environment, causing the inner wall of the trachea condensation, condensation. Dew drops on electronic devices and sensors can affect accuracy or output drift. At the same time, if the condensation is too fast, the service life of the transmitter will be greatly shortened. This pressure sensor is easily affected by the environment and causes inaccurate measurement, and is inconvenient to install.
Option 2: Piezoresistive pressure sensor
The piezoresistive sensor uses an integrated circuit process to directly make a diffuse varistor on a silicon flat diaphragm in a certain crystal orientation; the silicon flat diaphragm has good elastic properties when it is slightly deformed. When the silicon wafer is pressed, the diaphragm's deformation causes the resistance of the diffusion resistor to change; this varistor is easily affected by the external environment, such as temperature, resulting in inaccurate measurement, and the volume is generally large, it is not easy to install and not easy to carry; generally its accuracy is relatively low. It can not meet the needs of design.
Solution 3: Ultrasonic sensor
Ultrasonic sensor is the first small sensor with key setting function and self-diagnosis function in the industry. Although it is small, it has the functions of other large sensors. It is easy to install and use and is not affected by the color of the measuring object. It has many special functions, such as: self-diagnosis LED display and key setting function, temperature compensation function , which can choose analog quantity or switch output, etc.; its power supply voltage is 10 ~ 30V, measuring range is 30mm ~ 300mm, output voltage is 0V ~ 10V, output current is 4mA ~ 20mA, the minimum load impedance is 2.5 ohm, and the accuracy can reach 0.5mm , The shape is divided into straight type and right angle type. The induction caliber is 18mm. The ultrasonic sensor has the conditions to meet the liquid level control of 0-25cm required by the design, and the requirement that the liquid level error does not exceed ±0.3cm, and solves the problem of inconvenient installation. Therefore, this design selects an ultrasonic sensor with high accuracy and small size.
A/D converter
The accuracy and performance of the A/D converter used directly affect the accuracy of the data received by the back-end microcontroller. Here we compare and analyze the following two AD converters.
Solution 1: Use 8-bit ADC0809 A/D converter
ADC0809 is a commonly used 8-bit A/D converter, which is a successive approximation type. ADC0809 is powered by a single +5V. The chip contains 8 analog electronic switches with a latch function, which can respond to 0 to +5V 8 analog voltages. The signal is converted in time-sharing, and it takes about 100us to complete a conversion, so the speed is faster, but the ADC0809 chip has low resolution and insufficient accuracy, which cannot meet the requirements of this system and is not used.
Option 2: Adopt 4 and a half double integral A/D converter ICL7135
ICL7135 is a widely used A/D converter, an integral A/D converter with dynamic BCD code output. Its characteristics are: high precision, automatic polarity conversion output, automatic zero calibration, single power supply operation, and dynamic BCD code output. Since the double integration time of the double integration method is relatively long, the A/D conversion speed is slow, usually (3 to 10) times/s. In addition, the integration of the periodically changing interference signal is zero, and the anti-interference performance is also relatively good. In the case of the same accuracy, the price is lower than the successive approximation type A/D converter, so it is more suitable to use this type of A/D converter in the occasions where the speed requirement is not high.
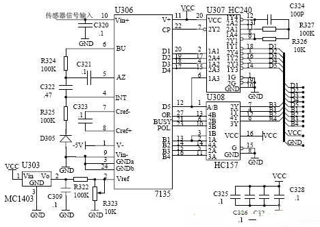
Considering the requirements of the ultrasonic sensor for distance measurement , this design uses the ICL7135 A/D converter with high control accuracy.Hardware circuit and software design.The hardware circuit of this design includes the minimum system circuit, liquid level control and alarm circuit, signal acquisition and transmission circuit, keyboard and display module.Minimal system (power supply circuit and I/O expansion and strobe circuit).The smallest system board used in this design is based on the 80C52 microcontroller, and it has good scalability. The CPU is connected with a crystal oscillator of 11.0592MHz, which is mainly composed of a 74LS373 latch circuit, a 74LS138 decoding circuit, buttons, a display device, an ICL7135 and its peripheral typical circuits, and uses 8255 to expand the I/O interface. The minimum system circuit is shown in Figure 2.

software design
The software part mainly uses 51 series single-chip microcomputer as the controller, the output voltage of the sensor is sampled, the sampled value is compared with the set value, the single-chip microcomputer controls the solenoid valve to adjust the liquid level, the host sets the value to the extension through 485 communication, and the extension controller control the extension liquid level. The software part includes ICL7135 sampling part, 485 communication part, digital processing part, display part, keyboard part and so on. In order to avoid the inaccurate measurement data caused by the movement of the ultrasonic sensor for distance measurement, a zero adjustment function is especially added to further improve the accuracy of the system. The main program flow chart is shown in Figure 4.

Experimental results and analysis
The required test equipment is a 4-digit 1/2 high-precision digital multimeter, scale, and 100M dual trace digital oscilloscope.

From the above data, we can see that the test data accuracy of each detection unit of the system is very high, the liquid crystal display value and the measured value are very close to the set value, there is a linear relationship with the sensor output voltage, and a certain proportional relationship with the weight, This is inseparable from the choice of hardware and the matching of its parameters and the choice of software control algorithms.
Design summary
This design uses hardware such as ultrasonic sensor, ICL7135 and other high-precision chips and instruments for liquid level measurement, so that liquid level accuracy is much higher than the requirement that the liquid level error does not exceed ±0.3cm. This design also uses MAX485 communication, OCM4X8C liquid crystal display LCD and other chips and components, making the design more in line with the actual application requirements, and correspondingly reducing the difficulty of software design. In software, the use of standardized programming methods effectively reduces the storage space required by the program. At present, this subject is mainly used for groundwater level detection.
Products | About Us | News | Markets and Applications | FAQ | Contact Us