-
Mått:60x5mm Resonansfrekvens fr: 420 KHz±2% Elektromekanisk kopplingskoefficient K33:≥58% Resonansimpedans Zm: ≤45 Ω Statisk kapacitans Cs: 5100pF±14%@1kHz Applikation: Piezotransducer för analys av vibrator, piezotransducer. dispersion, ekolodsgivare Ultraljudssensor, vibrationssensor, väggtjocklekssensor, materialspänningssensor, trycksensor, energiutvinning, kompressionssensor, piezoexpansionssensor och andra.
-
Vi kan erbjuda 2Mhz, 4Mhz, 6Mhz TCD Doppler Sensor. Formen på skalet kan anpassas utifrån dina krav. Användning: Denna sond används för kraniocervikal dopplerflödesmätare, den har god anti-interferensförmåga och hög känslighet, som har integrerats med många TCD-utrustningstillverkare.
-
Vi kan erbjuda 5Mhz,8Mhz,10Mhz,13Mhz a-ultraljudssensorn Användning: Sensorn som används för att mäta tjockleken på fett hos husdjur eller boskap, och mäta avstånd eller mäta tjocklek inom oftalmologi.
-
Dimension: Yttre dimension: 18mm Mellandimension: 15mm Höjd: 15mm Funktioner hos piezoelektrisk kristall: 1. Låg impedans 2. Vågformen är stabil 3. Hög elektromekanisk omvandlingseffektivitet 4. Låg dielektrisk förlust 5. Värm en liten 6. Stor sprayvolym än 5. A corrosion timmar 8.000 timmar
-
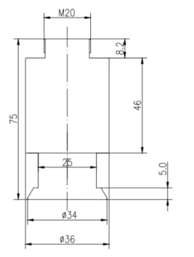
Dimension: OD60mm xID30mm x Thi10mm För ultraljudssvetsmaskiner beställer våra kunder ofta 60 x30 x10mm, 50 x20 x6.5mm piezoring, de finns i lager alla i vår fabrik. Vänligen kontakta oss så snart om några krav.
-
Dimension: OD50mm xID20mm x Thi6.5mm För ultraljudssvetsmaskin beställer våra kunder ofta 60 x30 x10mm, 50 x20 x6.5mm piezoring, de finns i lager alla i vår fabrik. Vänligen kontakta oss så snart om några krav.
-
Halvklot piezo: Dimension: Diameter: 50 mm OD av hål: 8 mm Väggtjocklek: 2 mm Funktioner hos högtemperatur piezokeramik: 1. Låg impedans 2. Vågformen är stabil 3. Hög elektromekanisk omvandlingseffektivitet 4. Låg dielektrisk förlust 5. Värm en liten 6. Stor livslängd på 0,0 timmar A 0 timmar. korrosion
-
Dimension (diameter × tjocklek): 10mmx2mm Funktioner hos piezoelektrisk kristall: 1. Låg impedans 2. Vågformen är stabil 3. Hög elektromekanisk omvandlingseffektivitet 4. Låg dielektrisk förlust 5. Värm en liten 6. Stor sprayvolym 7. Livslängden på mer än 5000 timmar korrosion 8. Sur
-
Dimension (diameter × tjocklek): 16mmx0.4mm Funktioner hos piezoelektrisk kristall: 1. Låg impedans 2. Vågformen är stabil 3. Hög elektromekanisk omvandlingseffektivitet 4. Låg dielektrisk förlust 5. Värm en liten 6. Stor sprayvolym 7. Livslängd på mer än 5000 timmars korrosion 8.
-
Halvklot piezo: Dimension: Diameter: 15 mm OD för hål: 4 mm Väggtjocklek: 1 mm Funktioner hos högtemperatur piezokeramik: 1. Låg impedans 2. Vågformen är stabil 3. Hög elektromekanisk omvandlingseffektivitet 4. Låg dielektrisk förlust 5. Värm en liten 6. Stor livslängd på 0,0 timmar A 0 timmar. korrosion
-
Om ultraljudsavståndsgivare kan vi erbjuda givare som kan detektera 1M, 3M, 4M, 5M, 8M, 12M, 20M, 30M, 50M. Vi kan också acceptera anpassning.
-
Om ultraljudsavståndsgivare kan vi erbjuda givare som kan detektera 1M, 3M, 4M, 5M, 8M, 12M, 20M, 30M, 50M. Vi kan också acceptera anpassning.
-
Storlek: 54,5x47x40mm Användning: Undervattenskommunikationsenhet, hydrofon, ekolod.