Hubei Hannas Tech Co., Ltd - Furnizor profesional de elemente piezoceramice
Produse
Sunteți aici: Acasă / Produse / Traductoare cu ultrasunete / Traductor pentru adâncime / Traductor acustic subacvatic de 2MHz pentru telemetru submarin
 
Produse cu ridicata de înaltă frecvență pentru producători și fabrici:

 

Feedback

încărcare

Distribuie la:
partajați acest buton de partajare

Traductor acustic subacvatic de 2MHz pentru telemetru submarin

Aplicație: telemetru submarin
Disponibilitate:
Cantitate:
  • PHW-LS-03AE

  • Piezohannas

  • PHW-LS-03AE

Traductor acustic subacvatic de 2MHz pentru telemetru submarin

 


1. Parametri tehnici:


Articole

Parametrii tehnici

Imagine

Nume

de 2MHz Traductor acustic subacvatic

Traductor acustic subacvatic de 2MHz pentru telemetru 

Traductor acustic subacvatic de 2MHz pentru telemetru submarin 

Model

PH W-LS-03A E

Frecvenţă

2MHz ± 5%

Distanța de detectare

0.03 2m

Paralela minimă

lmpedanţă

9Ω± 20

Capacitate

4000pF ± 20@1KHz

Sensibilitate

Tensiune de transmisie: 24 V Distanță : 0,3 m Amplitudine eco: 1000 mV

de operare Tensiune

de vârf Tensiune 150Vpp

de operareTemperatura

-40+80

Presiune

10Kilograme sau  1MPa

Unghi

(Lățimea fasciculului) Fascicul cu jumătate de putere

Latime @-3dB: 2 .9°± 10%

Unghi ascuțit : 6.8°± 10%

Materialul carcasei

PPSU

Utilizare

telemetru submarin

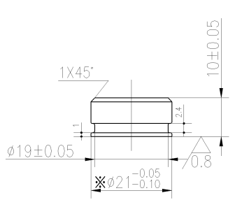
de instalare Dimensiunea

Verificarea structurii produsului

diagrama de mai jos

Nivel de protecție

IP68

Greutate

12.5g ± 5%( Lungime : 0,5 m

Instrucțiuni de cablare

   Alb: traductor +, negru: traductor -

Curba de admitere

Diagrama structurii produsului

 

5XCBD2N)I3D6A%KZNBW9_8 

 

I3_UN)H05%T7693








 


Anterior: 
Următorul: 

Produse fierbinți

Hubei Hannas Tech Co., Ltd este un producător profesionist de ceramică piezoelectrică și traductoare cu ultrasunete, dedicat tehnologiei ultrasonice și aplicațiilor industriale.                                    
 

RECOMANDA

CONTACTAŢI-NE

Adăugați: No.302 Innovation Agglomeration Zone, Chibi Avenu, Chibi City, Xianning, Hubei Province, China
E-mail:  sales@piezohannas.com
Tel: +86 07155272177
Telefon: +86 + 18986196674         
QQ: 1553242848  
Skype: live:
mary_14398        
Copyright 2017    Hubei Hannas Tech Co.,Ltd Toate drepturile rezervate. 
Produse